產品中心

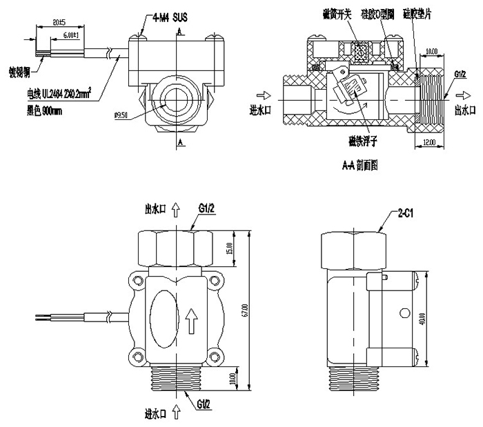
工作原理:
流量開關由磁芯、盒子和傳感器組成,外殼為PA66GF30,磁芯采用鐵氧體永磁材料,傳感器磁控開關則為進口中功率元件。進水端和出水端接口均為G1/2標準管螺紋。
特點:
流量開關具有靈敏度高,耐久性強等優點。
應用范圍:
廣泛應用于石油化工,電力,冶金,鋼廠,造紙,食品加工,水處理,電池廠等行業。
技術參數技術參數:
產品型號:MR-668-B | 產品名稱:流量開關 | ||
序號 | 項目 | 參數 | 備注 |
1 | 最大開關電流 | 0.5A(DC) | |
2 | 最大極限電流 | 1A | |
3 | 最大觸點電阻 | 100MΩ | |
4 | 最大負載功率 | 10W | 50W可選配 |
5 | 最大開關電壓 | 100V | |
6 | 啟動水流量 | ≥1.5L/min | |
7 | 工作水流范圍 | 1.5~30L/min | |
8 | 工作水壓 | ≤1.2MPa | |
9 | 最大承受水壓 | 1.5MPa | |
10 | 工作環境溫度 | 1~150°C | |
11 | 使用壽命 | 10的7次方 | 5VDC10MA |
12 | 響應時間 | 0.2S | |
13 | 本體材質 | 尼龍玻纖 | |