產品中心

工作原理:
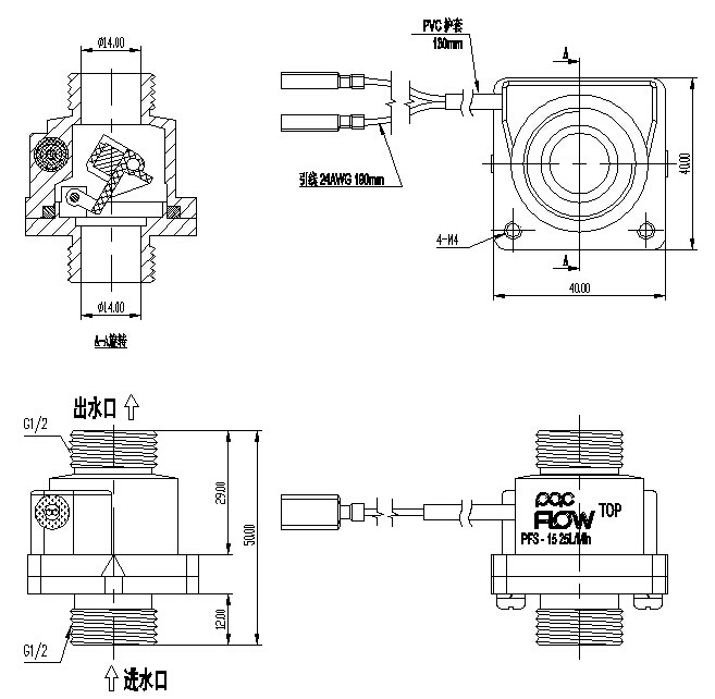
流量開關由磁芯、鍛銅和傳感器組成,外殼為H59鍛銅,磁芯采用鐵氧體永磁材料,傳感器磁控開關則為進口中功率元件。進水端和出水端接口均為G1/2標準管螺紋。 進水孔大小Φ14。
特點:
流量開關具有靈敏度高,耐久性強等優點。
應用范圍:
廣泛應用于石油化工,電力,冶金,鋼廠,造紙,食品加工,水處理,電池廠等行業。
技術參數:
產品型號:MR-4050 | 產品名稱:流量開關 | ||
序號 | 項目 | 參數 | 備注 |
1 | 最大開關電流 | 0.5A(DC) |
|
2 | 最大極限電流 | 1A |
|
3 | 最大觸點電阻 | 100MΩ |
|
4 | 最大負載功率 | 10W | 50W可選配 |
5 | 最大開關電壓 | 100V |
|
6 | 啟動水流量 | ≥2.5L/min |
|
7 | 工作水流范圍 | 2.5~40L/min(Φ14) |
|
8 | 工作水壓 | ≤1.0MPa |
|
9 | 最大承受水壓 | 1.5MPa |
|
10 | 工作環境溫度 | 1~100°C |
|
11 | 使用壽命 | 10的7次方 | 5VDC 10MA |
12 | 響應時間 | 0.2S |
|
13 | 本體材質 | 鍛銅 |
|